Main Structure
steel frame welded+sandwich panel
Packaging & Delivery
HuaYing standard package, more information please contact us
After-sale Service
Online technical support, 2 years Warranty
Customizable options
Size, color, furniture and electrical equipment
Shipping port
FOB Price, Tianjin
General Introduction
The expandable container house is easy to assemble, can be moved frequently, and more importantly, it has a spacious and expandable living space. All accessories are pre-installed in the factory and folded to fit in a shipping container. When reach your location, you can simply expand it.
Customisation welcome, Volume discounts available.
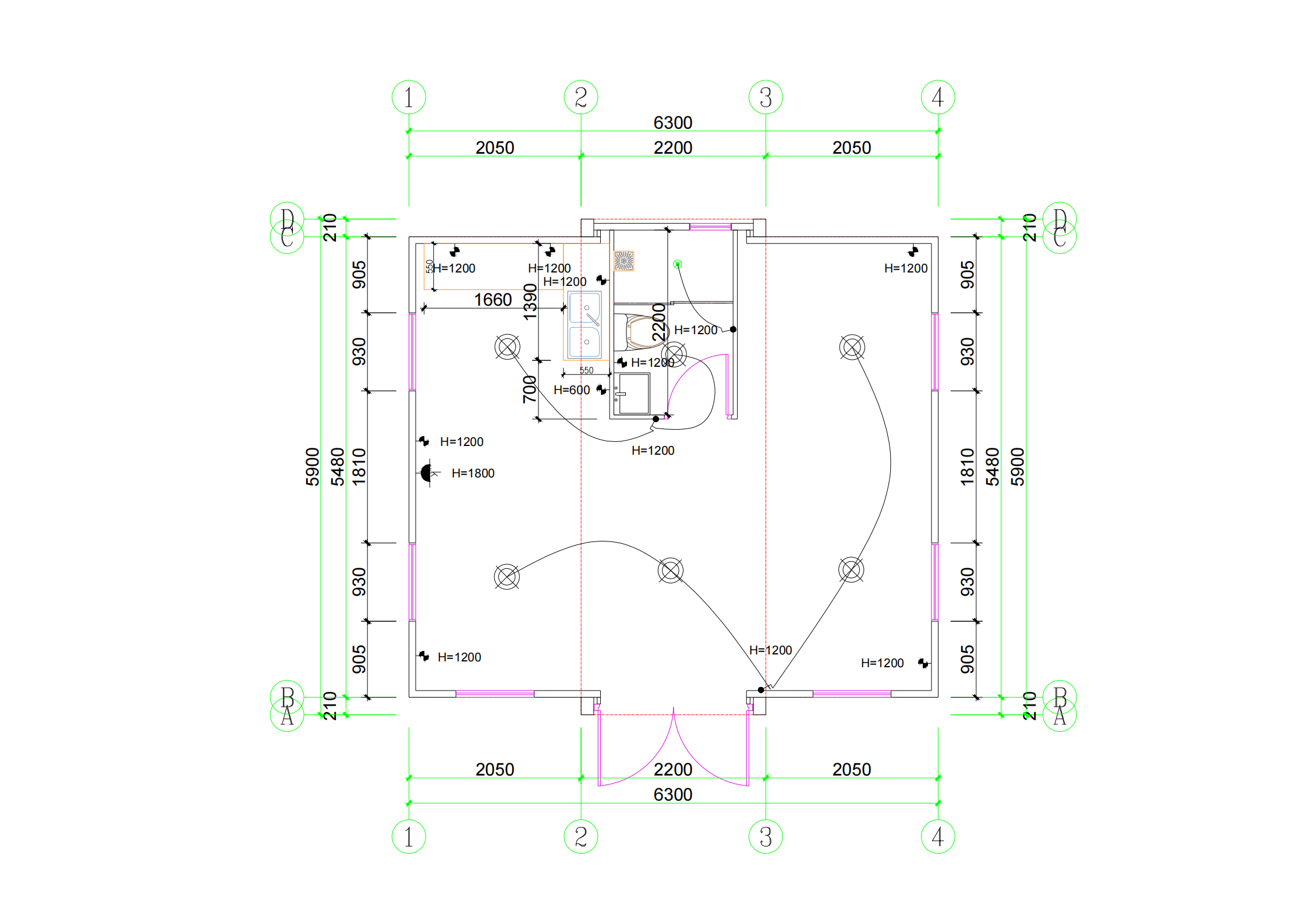
Item sanitary fitting and kitchen is on option item. Please advise if you do not need it.
Valid time: 10 days from issued.
Delivery time: 25 days after get deposit.
The 3D plan is for refer. The offer is according the drawing which both party confirmed.
The expandable container house’s installation can be completed within 10 minutes.
Easy to assemble and disassemble with simple and common tools, can be installed in 10 minutes.
Safe and durable-over 15-20 years lifespan, seismic resistance to 8 degree, wind resistance to 11 degree.
All bathroom, kitchen, electricity, plumbing are pre-installed in our factory.
Less material to install, more convenient and environmental protection.
Save shipping cost, folded up to be loaded in shipping container, 1*40HC shipping container can load 2 units
this is a kind of new style container house,which can be install quickly in 10minutes,with good quality and good price, high quality doors and windows,20ft, size,material, economical translation.




